Cotação: Mola Convexa
Dados do Cliente
Nome:
Cidade:
UF:
Bairro:
CEP:
Telefone:
Fax:
E-mail:
Dados do Produto
Extremidade:
Selecione
Fechadas
Fechadas e retificadas
Abertas
Enrolamento:
Selecione
À direita
À esquerda
Opcional
Material:
L0:
d:
Da:
Di:
If:
Ig:
L1:
P1:
Kgf
L2:
P2:
Kgf
Dados da Cotação
Quantidade:
peças
Prazo:
dias
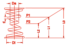
d:
diâmetro do arame
L0:
altura livre
Da:
diâmetro externo
Di:
diâmetro interno
If:
número de espiras ativas
Ig:
número de espiras totais
L1:
altura para carga P1
P1:
carga necessária para L1
L2:
altura para carga P2
P2:
carga necessária para L2
Confirmação
Visual: